LV arch

Romanian
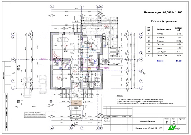
220м2

  • Этажность: 3
  • Кол-во спален: 3
  • Комнат: 4
  • Подвал: +
  • Мансардный этаж: +
  • phone icon +38 050 543 15 64